TI announces first fixed-gain op amps on BiCom-III SiGe process
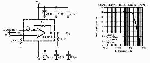
Texas Instruments announced the first fixed gain amplifiers with 3X that increase over comparable devices. The new fixed-gain op amps are the first products to be manufactured using TI´s BiCom-III (bipolar silicon-germanium) process. First to be released, THS4302 high-speed op amp features 2.4 GHz bandwidth, high slew rate of 6200 V/ìs and a fixed gain of +5 volts per volt (V/V). The bandwidth of the new devices will benefit wireless infrastructure and test equipment, and will make the new Class AB op amps an alternative to radio frequency (RF) amps.

The process is the first to integrate both NPN- and PNP-type bipolar transistors to take advantage of the exceptionally high speeds of SiGe. The complementary bipolar transistors enable op amp and high-performance mixed-signal product designs to increase speed up to 3X while reducing noise by as much as one half.
The THS4300 family is well suited for high-resolution data converters for a wide dynamic range in digital signal processing. A third-order output intercept point (OIP3) of +46 dBm into a 100 ohm load at 100 MHz ensures greater linearity with the same gain variation and reduced power as previous fixed-voltage op amps. RF systems benefit from the low third-order intermodulation distortion (IMD3) of 90 dBc at 100 MHz with a 1 Vpp signal envelope into a 100 ohm load.
Besides THS4302 chips, that are already shipped, the family includes two other 2.4-GHz devices, scheduled to follow in early 2003: the THS4301, with a fixed gain of +2 V/V, and the THS4303, with a fixed gain of +10 V/V. All chips feature 16-pin MSOP or QFN. In over 1,000-unit quantities they will cost $1.97 each.
Write a comment below. No registration needed!
|
|